昂洋科技
电子元器件一站式采购平台
在电子元件的广阔领域中,贴片电阻以其体积小、重量轻、适应自动化焊接工艺等显著优势,成为现代电子电路设计中不可或缺的基础元件。其中,厚声贴片电阻2512凭借其独特的性能特点和广泛的应用场景,在众多贴片电阻中脱颖而出,成为工程师们信赖的选择。

一、厚声贴片电阻2512的基本特性
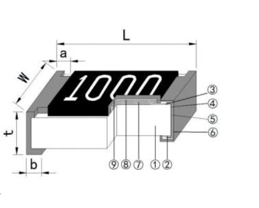
厚声贴片电阻2512.采用标准2512封装,对应公制尺寸为6.4mm×3.2mm。这一中等规格的封装设计,既满足了高密度电路板(PCB)的布局需求,又提供了良好的散热能力与机械强度,适用于空间受限的应用场景。其额定功率常见为1W,部分型号甚至可达2W或3W,能够承受较大的电流负载,有效降低过热风险,延长元件使用寿命。
在阻值范围方面,厚声贴片电阻2512覆盖广泛,从0Ω(跳线)到数百MΩ不等,满足多样化的电路设计需求。精度方面,提供±1%、±5%等多种规格,确保电路信号传输的稳定性和可靠性。温度系数方面,常见为±100ppm/℃,部分超低阻值电阻的温度系数根据阻值和精度不同,可为±200ppm/℃、±300ppm/℃或±500ppm/℃,适应不同温度环境下的应用需求。
二、厚声贴片电阻2512的材质与工艺
厚声贴片电阻2512主要采用厚膜技术制造,通过将金属粉和玻璃铀粉混合,采用丝网印刷法印在基板上制成。这种工艺使得电阻器具有耐高温、耐潮湿及温度系数小的特性,电性能稳定,可靠性高。同时,基于钌系厚膜电阻体,三层端电极(银/镍/锡)设计,具备优异的耐腐蚀性与焊接可靠性,符合RoHS环保标准,无铅工艺兼容,满足现代电子产品的环保要求。
三、厚声贴片电阻2512的应用场景
1. 电源管理领域
在电源模块、开关电源、DC-DC转换器等设备中,厚声贴片电阻2512常作为电流检测电阻使用。其低阻值与稳定温度系数,使得它能够将电流信号转换为可精确测量的电压信号,帮助控制电路实现过流保护、负载监测和功率调节,确保电源的稳定高效输出。例如,在服务器电源和通信基站电源中,厚声贴片电阻2512对于维持电压稳定和防止元件过载至关重要。
2. 汽车电子领域
汽车电子系统对可靠性和精度要求极高。厚声贴片电阻2512在此领域应用于电池管理系统(BMS)、电机驱动单元(如ABS、ECU)、发动机控制单元以及充电系统中,进行高精度的电流监控。其四端子结构(部分型号)能抵抗振动和温度变化的影响,确保在恶劣环境下仍能提供准确数据。符合AEC-Q200标准的合金电阻也常用于这些关键系统,保障汽车的安全运行。
3. 工业自动化领域
在工业自动化控制系统,如可编程逻辑控制器(PLC)、伺服驱动器、变频器和机器人控制器中,厚声贴片电阻2512广泛用于实时的电流反馈和闭环控制。在电机驱动电路中,它帮助精确控制电流波形,实现电机的平滑调速和扭矩控制,同时提供过流保护功能。其优异的温度稳定性和低温度系数,使其能适应工业环境中的温度波动,确保系统的长期稳定运行。
4. 精密测量领域
在需要高精度测量的实验室设备、数字万用表、传感器接口电路以及数据采集系统中,厚声贴片电阻2512能显著提高测量精度。它通过独立的电压检测端子(部分四端子型号)消除了引线电阻带来的误差,非常适合微弱信号的精确测量。例如,在电子秤、烟雾报警器传感器、医疗监测设备以及高精度电源中,厚声贴片电阻2512能确保测量结果的可靠性和重复性。
5. 消费电子与通信设备领域
尽管2512封装相对较大,但在一些对功率和精度有要求的消费电子和通信设备中,如大功率音频放大器、液晶显示器(LCD)控制板、电脑电源管理、网络设备以及射频功放电路中,厚声贴片电阻2512仍有其用武之地。它们用于反馈网络、滤波电路和电流检测,有助于提升设备性能和可靠性。
四、厚声贴片电阻2512的选型与采购建议
在选用厚声贴片电阻2512时,需根据实际电路需求关注以下技术细节:
功率匹配:根据电路负载选择1W、2W或3W型号,确保长期稳定运行。大电流场景需选择2W或3W型号以降低温升。
精度考量:精密测量场景可选±1%高精度版本;常规应用±5%已满足需求,兼顾成本与性能。
温度特性:关注温度系数,确保在宽温环境下仍能保持稳定的电阻特性。
散热设计:高功率应用中建议增加散热铜箔或优化PCB布局,控制温升。
焊接规范:遵循无铅工艺,焊接温度≤260℃(≤10秒),避免热损伤影响电阻寿命。
厚声贴片电阻2512以其卓越的性能特点和广泛的应用场景,在电子元件领域占据着重要地位。无论是电源管理、汽车电子、工业自动化还是精密测量等领域,它都能发挥关键作用,为电路系统的稳定运行提供可靠保障。
上一篇: 铝电解电容在逆变器中的正确选型指南
下一篇: 贴片电感容易出现哪些故障?